- 無償でご提供
- 電子負荷以外にPCとGP-IBインターフェースを用意するだけですぐに使用可能
- ソースコードの開示でカスタマイズも可能

「E-Load Player」は、I-V特性ソフトウェアをはじめとしたLN及びELx シリーズ電子負荷専用の各種ソフトウェアがパッケージされたものです。
無償でご提供しておりますので、電子負荷以外にPCとGP-IBインターフェースを用意するだけですぐに使うことができます。。
¥0(無償)
お気軽にお問い合わせください。044-223-7950受付時間 9:00-18:00 [ 土・日・祝日除く ]
お問い合わせ特長
- I-V特性など6種類のソフトウェアをパック
- 各種データの保存、読み出しが可能
- 使いやすいGUIインターフェース
- ソースコードの開示でカスタマイズも可能
- 自動計測ソフトの作成工数を大幅削減
仕様
推奨動作環境
| OS | Windows7, Windows8, Windows10 (日本語版) |
|---|---|
| CPU | Pentium4 以上 |
| メモリ | 1GB以上 |
| HDD空き容量 | 100MB以上 |
| モニタ | 解像度1024 × 768 ドット以上 |
※OS(Windows) は日本語版のみ対応しております。 ※本ソフトウェアをインストールするとLabVIEW(ランタイム版)も自動的にインストールされます。
対応機器一覧
| 電子負荷装置 | LN-300A, LN-300C, LN-1000A, LN-1000C ELA-155, ELB-155, ELC-155, ELA-305, ELB-305, ELC-305 ELA-1005, ELC-1005, ELZ-175 ELL-355, ELL-1005 |
|---|---|
| GP-IBインターフェース | GPIB-USB-HS(日本NI 社),PCI-GPIB(日本NI 社) |
| デジタルオシロスコープ | TDS3014B(テクトロニクス社) |
※LNシリーズはUSB接続版ソフトウエアもご用意しております。
機能一覧
測定値(拡大)

電流、電圧、電力(電圧×電流)、抵抗値の測定結果を大きなフォントでわかりやすくモニタリングすることができます。
リップル測定

リップル及びノイズの測定結果を表示し、さらにグラフ化してモニタリングすることができます。
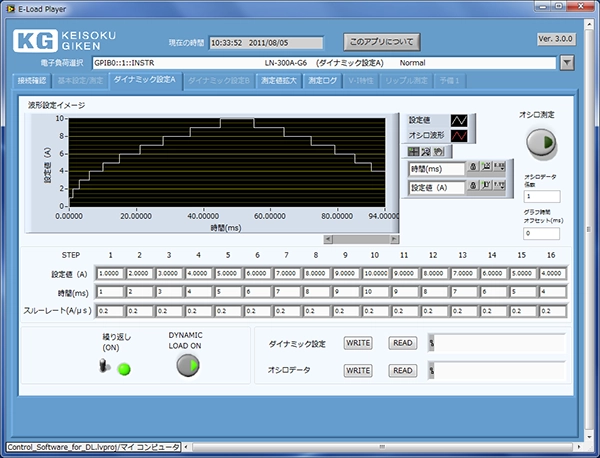
ダイナミック測定(1)

16レベルのダイナミック負荷モード設定を一覧で設定し、その結果をグラフ化して確認することができます。
ダイナミック測定(2)

一般的な2レベルのダイナミック負荷設定をアナログ的感覚のボリュームで設定し、結果をグラフ化して確認することができます。
測定ログ

直流電圧測定結果をロギングし、グラフ化して表示することができます。
I-V特性グラフ

一般的なI-V(電流-電圧)測定結果をロギングし、I-V特性としてグラフ化することができます。
本体標準価格(税抜):¥0(無償)
アプリケーション
低出力DC/DCコンバータに最適な負荷ノイズが発生しない電子負荷
低出力タイプのDC/DCコンバータでは、出力電流が小さいため電子負荷の選定が重要です。一般的な電子負荷はノイズを発生させる場合がありますが、「Load Stationシリーズ」は負荷ノイズを抑え、正確にリップルノイズを測定できるため、評価に最適です。
実環境化におけるI-Vカーブ特性とMPPT特性取得可能な電子負荷
太陽電池(PVパネル)の仕様書は理想環境での値しか記載されておらず、実際の性能は施工後でないと分かりません。
しかし、弊社の電子負荷「Load Station」を使えば、実環境下でのI-V特性や最大電力を測定でき、施工前に性能を把握できます。これにより、発電効率を高めるための設置シミュレーションと正確な評価が可能になります。
AIサーバーデーターセンター用大容量・高電圧・高速応答電子負荷
AIサーバーデータセンターでは、分散電源化や大型ESSの導入が進み、GPU用DC/DCコンバータでも大容量・高電圧・高速応答の電源開発が進展しています。評価試験ではスルーレート対応が課題ですが、KGのQL-Dシリーズは高速応答に適した設計で、要望に応じたカスタム対応が可能です。
バイポーラ電流センサ用高速バイポーラ電流試験システム
要約:
バイポーラ電流の高速応答にはバイポーラ電源の使用が一般的ですが、大電流に対応しにくく、コストも高いという課題があります。そこで、電子負荷の外部制御とファンクションジェネレータを組み合わせて同期運転させることで、SOURCEとSINK動作を高速かつ大電流で切り替える方法が有効です。さらに、この方法は汎用機を使うため、設備の有効活用が可能です。
車載用コンデンサの高速充放電試験システム
高速充放電には高速バイポーラ電源が一般的ですが、大電流化が難しく、導入コストも高いという課題があります。
これに対し、電子負荷の外部制御とファンクションジェネレータによる同期運転を用いることで、シンク・ソースの高速切り替えによる大電流充放電が可能になります。
また、この装置は直流電源や電子負荷としても活用でき、遊休設備とせず必要に応じて使用できます。
ダウンロード
※WindowsXP(32bit), Windows7, Windows8, Windows10(32/64bit)
※別途NI社製GP-IBが必要です。
※以下の機種に対応しております。
・LN-300A-G6/LN-300C-G6/LN-1000A-G6/LN-1000C-G6
・LN-300A-G7/LN-300C-G7/LN-1000A-G7/LN-1000C-G7
・LN-300A/LN-300C/LN-1000A/LN-1000C
・ELA-155/ELB-155/ELC-155/ELA-305/ELB-305/ELC-305
・ELA-1005/ELC-1005/ELZ-175
・ELL-355/ELL-1005
※WindowsXP(32bit), Windows7, Windows8, Windows10(32/64bit)
※別途NI社製GP-IBが必要です。
※以下の機種に対応しております。
・LN-300A-G6/LN-300C-G6/LN-1000A-G6/LN-1000C-G6
・LN-300A-G7/LN-300C-G7/LN-1000A-G7/LN-1000C-G7
・LN-300A/LN-300C/LN-1000A/LN-1000C
・ELA-155/ELB-155/ELC-155/ELA-305/ELB-305/ELC-305
・ELA-1005/ELC-1005/ELZ-175
・ELL-355/ELL-1005
※WindowsXP(32bit), Windows7, Windows8, Windows10(32/64bit)
※Windows用専用ドライバ含む
※下記LNシリーズ専用です。
※標準装備のUSBインターフェースを使用できます。
・LN-300A-G6/LN-300C-G6/LN-1000A-G6/LN-1000C-G6
・LN-300A-G7/LN-300C-G7/LN-1000A-G7/LN-1000C-G7
・LN-300A/LN-300C/LN-1000A/LN-1000C
※WindowsXP(32bit), Windows7, Windows8, Windows10(32/64bit)
※Windows用専用ドライバ含む
※下記LNシリーズ専用です。
※標準装備のUSBインターフェースを使用できます。
・LN-300A-G6/LN-300C-G6/LN-1000A-G6/LN-1000C-G6
・LN-300A-G7/LN-300C-G7/LN-1000A-G7/LN-1000C-G7
・LN-300A/LN-300C/LN-1000A/LN-1000C
※WindowsXP(32bit), Windows7, Windows8, Windows10(32/64bit)
※直流電子負荷Load Station(LN)シリーズ用シーケンス作成サンプルソフトウェアです。
※本製品は無償提供のため、サポート対象外となっております。予めご了承ください。
使用上のご注意
本ソフトウェアは無償でのご提供となっているため、通常製品とはサービス内容が異なります。
当社は本ソフトウェアの操作方法及びお客様の個別要求に適合させる機能・手順の追加・修正などの技術サポート提供を行いません。
本ソフトウェアについての権利及びその他の知的財産権は、当社に帰属します。
本ソフトウェアのダウンロード及び使用はお客様の責任において行ってください。
ソフトウェアをダウンロード、インストール及び運用することによる損害については一切責任を負わないものとします。
お気軽にお問い合わせください。044-223-7950受付時間 9:00-18:00 [ 土・日・祝日除く ]
お問い合わせ
特長


