- JIS規格のラックサイズとなっており、システムラックへの実装も簡単
- 1台で単相2線100Vrms/200Vrms、単相3線200Vrmsに対応
- 3台接続することで、三相200Vrms用負荷としても使用可能。

強制空冷方式を採用し、4kWで高さ150mm(質量約17kg)、6kWで高さ250mm(質量約22kg)とコンパクトな抵抗負荷装置です。1台で単相2線100Vrms/200Vrms、単相3線200Vrmsに対応しており、3台接続することで三相200Vrms用の負荷としても使用でき、拡張性の高い抵抗負荷装置です。
お問い合わせください(本体標準価格・税抜)
お気軽にお問い合わせください。044-223-7950受付時間 9:00-18:00 [ 土・日・祝日除く ]
お問い合わせ特長
- 強制空冷方式を採用。4kWで高さ150mm(質量約17kg)、6kWで高さ250mm(質量約22kg)とコンパクトサイズを実現。
- フロントパネルにあるトグルSWを用いて直感的に負荷電流値の設定が可能。
- 負荷電流は、最小分解能0.1Armsステップ(100Vrms時)/0.05Armsステップ(200Vrms時)で調整可能。
- 1台で単相2線100Vrms/200Vrms、単相3線200Vrmsに対応。
- 3台接続することで、三相200Vrms用負荷としても使用可能。
- 入力定格は100Vrms/200Vrms。系統模擬電圧源である交流発電機やパワコンの模擬負荷などにご使用いただけます。
仕様
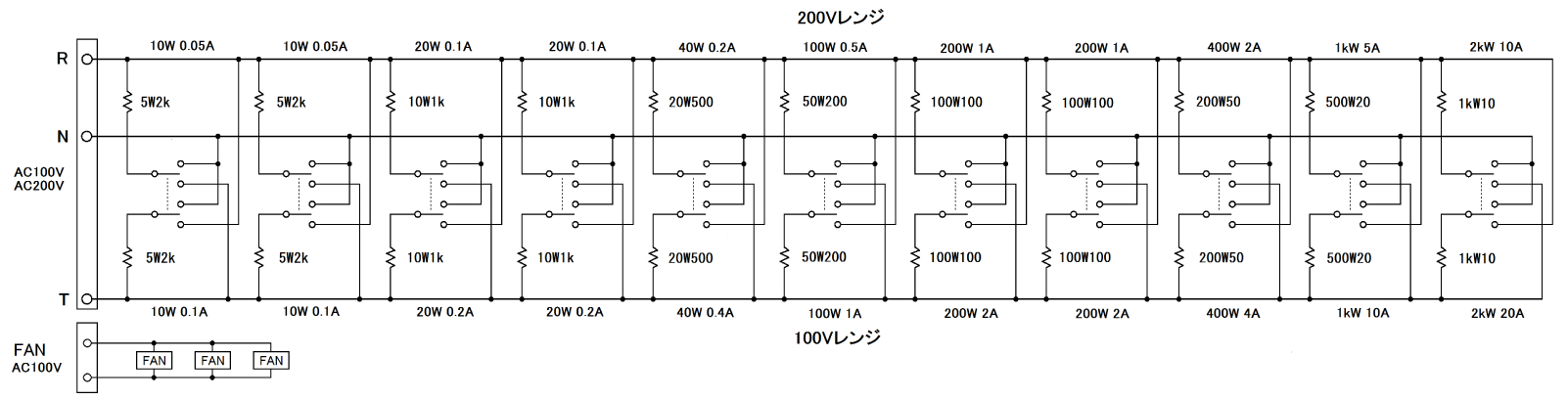
回路構成
【RR2-4K】

【RR2-6K】

| 型名 | RR2-4K | RR2-6K |
|---|---|---|
電気仕様 |
||
| 負荷定格電圧 | 単相2線100V、単相2線200V、単相3線200V | |
| 負荷回路構成 | 10W×2 、20W×2、40W×1、100W×1 200W×2、400W×1、1kW×1、2kW×1 | 10W×2 、20W×2、40W×1、100W×1 200W×2、400W×1、1kW×1、2kW×2 |
| 抵抗誤差 | ±10% | |
| 負荷容量 | 4kW | 6kW |
| 定格 | 連続 | |
| 負荷設定 | スイッチ投入式 | |
| 制御電源 | 単相2線 AC100V 最大電流 約0.7A | 単相2線 AC100V 最大電流 約1.4A |
| 設置場所 | 屋内 | |
| 制御電圧 | 単相2線100Vrms(0.7Arms) | 単相2線100Vrms(1.4Arms) |
一般仕様 |
||
| 外観寸法 (突起部は除く) | W430×H168×D600 | W430×H268×D600 |
| 質 量 | 約17kg | 約22kg |
| 絶縁抵抗 | 負荷端子-筐体間:DC500V 10MΩ以上 FAN電源の入力端子-筐体間:DC500V 10MΩ以上 |
|
| 耐電圧 | 負荷端子-筐体間:AC2kV 1分間 FAN電源の入力端子-筐体間:AC1.5kV 1分間 |
|
| 使用環境 | 設置場所:屋内 温度・湿度:5~40℃ 20~80%RH以下(結露無き事) | |
| その他 | 冷却方式:強制空冷 塗装色:5Y7/1 半ツヤ | |
注意
1.本製品の背面排気温度の上昇値は最大55℃あります。背面排気口付近は高温になりますので、物を置いたり、近付いたりしないでください。
2.抵抗負荷を切りかえるリレーの接点は摩耗部品です。接点の寿命は直流印加や開閉回数などお客様の使用条件により異なりますので、接点の溶着や焼損は保証期間内であっても有償修理対応となります。
本体標準価格(税抜):お問い合わせください
選定・搬入のご注意
機器選定について
- 突入電流や過電流が発生する負荷を接続する際は、瞬時ピーク電流や最大電流値を考慮した製品をご検討ください。
- 定格に近い容量でのご使用は過負荷になりやすいため、稼働時の負荷率は80%程度となる仕様の製品を推奨いたします。
- 製品によって出力電力がワイドレンジとなる機種がございます。この場合、出力可能な電圧、電流に制限が掛かることがございますのでご注意ください。
設置について
- 製品への供給電源はお客様にてご準備ください。(大型機器へ大電力供給を行う場合の配電盤工事など)
- D.U.T(被試験物)と製品との距離はノイズや配線抵抗等の影響があるため、できる限り近い距離でご使用ください。
- 入出力線は、短く、太い電線をご準備ください。
- リモートセンス線は、短い電線でご使用ください。また、動作中にリモートセンス線が開放状態とならないようご配慮ください。
- 空冷用ファンを内蔵している製品は、設置時に空気の吸入口及び排気口をふさがないようご注意ください。
- 当社製品は産業用の装置として設計・製造されており、ハイセイフティ用途(*)への使用を想定した製品ではございません。予めご了承ください。
(* ハイセイフティ用途とは、極めて高度な信頼性や安全性が要求され、機器の故障や誤動作により信頼性や安全性が確保されない場合、生命、身体や財産等に損害を及ぼす恐れがある用途のことを言います) - 製品ご利用前には、マニュアル記載の注意事項を必ずご一読ください。
上記を考慮せず製品を選定、ご使用になった場合、装置が停止、あるいは故障する原因となります。ご注意下さい。
搬入について
- 大型機器の搬入に際しましては、建物入口の高さや設置場所までの搬入経路の確認をお願いいたします。
- 製品のご納入は、原則として「国内指定場所での車上渡し」とさせていただきます。大型機器などの荷降ろし以降の作業はお客様にて実施をお願いいたします。
- 時間指定の配送や荷降ろし、現地試運転などの作業は、別途お見積もりのうえ当社にて承ります。ご注文の際にお申し付けください。
お気軽にお問い合わせください。044-223-7950受付時間 9:00-18:00 [ 土・日・祝日除く ]
お問い合わせ記載されている仕様・形状等は、改良等により予告なしに変更されることがあります。最新の製品情報につきましては、当社までお問い合わせ頂けますようお願い致します。

特長



