PWMって、そもそもナニ?
PWMとは
PWMはPulse Width Modulationを略したもので日本語に直訳すると「パルス幅変調」となりますが、これだけではわかりにくいので、もう少し分解すると、「パルスの幅で変調をかける」ということになりますが、では「変調」とは何でしょうか?最も身近なものではAM/FMラジオがわかりやすいと思います。ラジオの「変調」は、搬送波(音声を乗せる電波)に音声を乗せることを意味しており、AMとFMはその中のひとつの方式です。
| 変調の方式 | 意味 | 説明 |
| AM (Amplitude Modulation) | 振幅変調 | 音声の振幅に応じて搬送波の振幅を変える![]() |
| FM (Frequency Modulation) | 周波数変調 | 音声の振幅に応じて搬送波の周波数を変える![]() |
このようにAMやFMは電波に音声を乗せるための方式となっていますが、PWMは主に電源回路やインバータで使用されており、パルス幅(デューティ比)を変化することにより電力を制御する技術でスイッチング方式とも呼ばれます。
ドロッパー方式とは
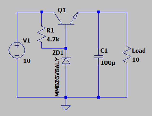
ここでPWM(スイッチング)方式が発明される前のトラディショナルなドロッパー方式と呼ばれる回路と比べてみましょう。以下の回路では直流10Vから出力電圧6Vを得るもので主要部品はトランジスタQ1とツェナーダイオードZD1というシンプルなものです。出力電圧6Vを得るということは、逆に考えるとトランジスタQ1で4Vの電圧を落とすことになります。(これがドロッパー方式と呼ばれる所以です)

ここで負荷抵抗のLoadには10Ωが接続されていますので、この抵抗に流れる電流はオームの法則から
負荷電流 = 電圧 ÷ 抵抗 = 6V ÷ 10Ω = 0.6A
負荷抵抗に0.6A流れるということは、言うまでもなくトランジスタQ1にも0.6A流れることになりますが、ということはQ1では4V × 0.6A = 2.4W の電力を消費することになります。(直流電力 = 電圧 × 電流の公式より)このトランジスタで消費する電力は負荷に流れる電流とトランジスタで落とす電圧に比例して大きくなりますので、電力が大きい場合はトランジスタの放熱が必要になります。 このためドロッパー方式の電源は、その定格電力に比例して大きく(重く)なるのが一般的です。
PWM(スイッチング)電源とは
PWM(スイッチング)電源の原型はアメリカのNASAが約50年前に開発しており、その目的はロケットに積載する機器の重量を軽くすることでした。それまでのドロッパー方式電源の回路自体はシンプルで作るのも容易だったのですが、効率が40%程度と低いため大きくて重いのが欠点だったからです。
スイッチング電源は前述のように降圧分をトランジスタで消費させるのではなく、文字通り「スイッチング」する訳ですが、そのイメージは次のようなものです。

10Vの入力電圧を高速にスイッチング(ONとOFFの繰り返し)して、これを平滑回路(コンデンサ)に通すと平均化された電圧の5Vを得ることができます。このとき、デューティサイクルを大きく(ON時間を長く)すれば平均化電圧は高くなり、逆にデューティサイクルを小さく(ON時間を短く)すれば平均化電圧は低くなります。
合わせて読みたい
| Dutyサイクル | 出力電圧 | 備考 |
| 50% | 5V | ON時間 = OFF時間 = 50% |
| 75% | 7.5V | ON時間 = 75%, OFF時間 = 25% |
| 25% | 2.5V | ON時間 = 25%, OFF時間 = 75% |
このようにして出力電圧を比較的自由に制御することが出来る訳です。また、ドロッパー方式のように電圧降下によって電力を消費することは無いため、効率が高く小型・軽量にすることが可能ですが、いいことばかりではありません。スイッチングにより発生するリップルノイズが出力に現れるため、低ノイズが要求されるアプリケーションでは注意が必要だからです。
合わせて読みたい
関連ページ
直流電源って、そもそもナニ?
直流電源とは、一定の極性を持った電圧(直流)を供給する電源装置のことです。乾電池やバッテリーのようにプラスとマイナスが固定されており、電流が一方向に流れる電源を直流電源と呼びます。 私たちの身の回りの電子機器の多くは直流 […]
スイッチング電源って、そもそもナニ?
スイッチング電源とは、スイッチング素子を高速でON/OFFすることで電力変換を行う電源方式です。 従来のリニア方式の電源と比べて、高効率で小型・軽量化しやすいという特長があり、現在ではパソコンやスマートフォンのACアダプ […]
リップルノイズ測定のプローブって、そもそもナニ?
はじめに スイッチング電源の直流出力に現れるリップルノイズを測定するとき、どのようなプローブをお使いでしょうか?もしオシロスコープで測定しているとしたら「オシロ付属のプローブに決まってるでしょ」と言われるかも知れませんが […]







